Характеристики
Минимальная производительность, тыс.м3/час
—
1.6
Максимальная производительность, тыс.м3/час
—
2.8
Минимальное полное давление, Па
—
24
Максимальное полное давление, Па
—
50
от 32 973 ₽
36 637 ₽
-10%
Экономия 3 664 ₽
Нашли дешевле?
Выберите нужный вариант товара
Вентилятор крышный осевой ВКРО-4 с двигателем 0,25/1000 из углеродистой стали
32 973 ₽ /шт
36 637 ₽
-10%
Экономия 3 664 ₽
Варианты цен
32 973 ₽ /шт
36 637 ₽
-10%
Экономия 3 664 ₽
Описание
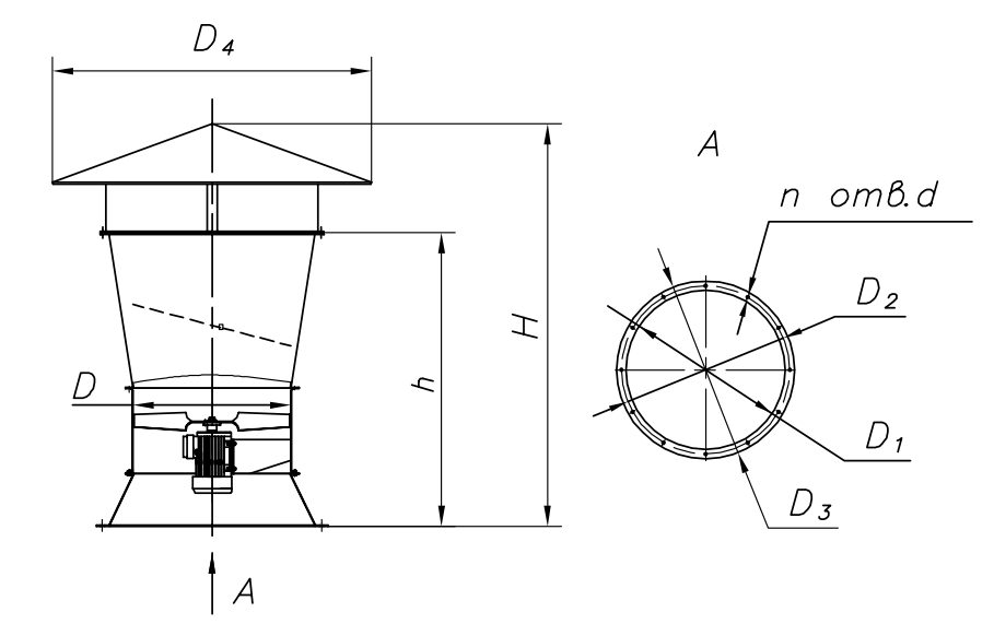
Габаритно-присоединительные размеры

| Размеры, мм | n, шт | Масса, кг | |||||||
| D | D1 | D2 | D3 | D4 | H | h | d | ||
| 400 | 540 | 580 | 620 | 800 | 1120 | 850 | 8 | 8 | 35 |
Аэродинамическая характеристика

