Характеристики
Площадь поверхности теплообмена, м2
—
3.16
По запросу
Нашли дешевле?
Под заказ
Наши менеджеры обязательно свяжутся с вами и уточнят условия заказа
Описание
Технические характеристики
| Наименование | Рабочий объем, м3 | Площадь поверхности теплообмена, м2 |
Давление рабочее пара и нагр.воды, МПа |
Давление пробное в корпусе и змеевике, МПа | Макс. Температура в змеевике, °С | Макс. Температура в корпусе, °С | Число трубок змеевика, шт. | Масса, кг |
| СТД 3068 | 2,5 | 3,16 | 0,5 | 0,8 | 158 | 75 | 4 | 670 |
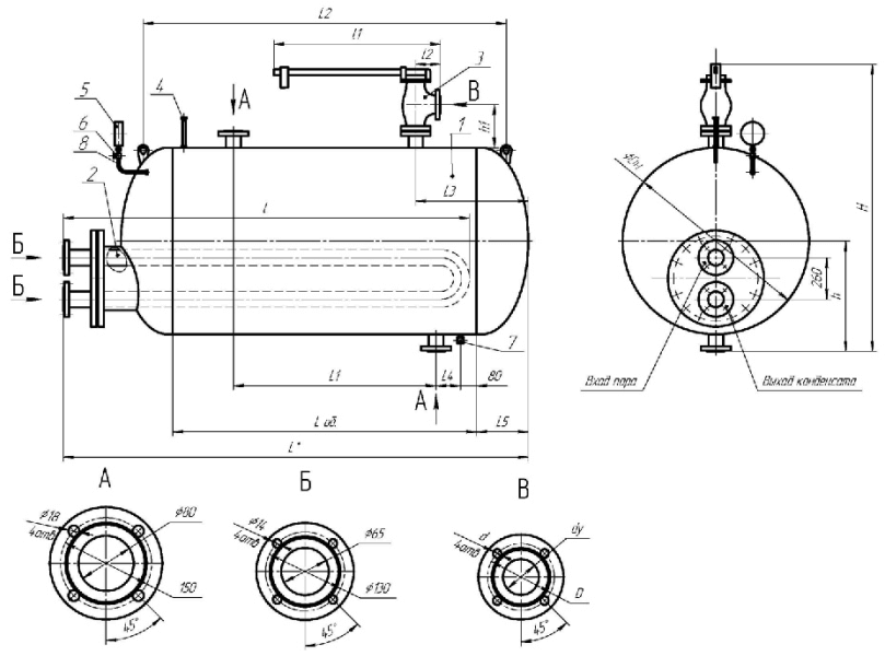
Габаритные размеры

| Наименование | DH | dy* | D* | d* | L* | Lоб | L1 | L2 | L3 | L4 | L5 | I | I1 | I2 | h | H1 | H |
| СТД 3070 | 1212 | 1212 | 110 | 14 | 3030 | 2100 | 1400 | 2550 | 1135 | 220 | 331 | 2845 | 745 | 125 | 716 | 238 | 1810 |
