Продукт предназначен для использования в закрытых помещениях с контролируемой температура и контролируемая влажность. Непосредственное воздействие воды должно избегать. Степень загрязнения 1 (согласно DIN EN 60664-1). Компактный вентилятор 7210 N-181 railway 110 VDC разработан исключительно как встроенное устройство для транспортировки воздух по техническим данным. Каждое использование, которое не соответствует предполагаемой цели, является рассматривается как неправильное использование продукта. Местные установки должны соответствовать механическим, термическим и требования к сроку службы см. «Технические характеристики».
Использование по назначению включает в себя:
- Эксплуатация изделия со всеми защитными средствами
- Не вводите устройство в эксплуатацию до его установки в заявка клиента
- Соблюдение руководства по эксплуатации Использовать не по назначению
Использование продукта в целях, указанных ниже, запрещено и может быть опасно:
- Транспортировка воздуха, содержащего абразивные частицы.
- Транспортировка воздуха, который оказывает сильное коррозионное воздействие.
- Транспортировка воздуха с высокой пылевой нагрузкой, например, пылесосить древесные опилки.
- Транспортировка горючих газов / частиц.
- Контакт с материалами, которые могут повредить продукт, например, кислоты, едкие растворы, растворители.
- Воздействие радиации, которая может повредить компоненты продукта, например, сильные ультрафиолетовые лучи или тепловое излучение. Работа во время внешней вибрации.
- Эксплуатация продукта вблизи легковоспламеняющихся материалов или составные части.
- Эксплуатация изделия во взрывоопасной атмосфере.
- Использование продукта в качестве компонента безопасности или для выполнения функций, связанных с безопасностью.
- Работа в медицинских устройствах с жизнеобеспечением или спасением жизни функция.
- Работа в нестационарных системах, например железнодорожные транспортные средства, самолеты и космический корабль.
- Работа с полностью или частично демонтированным или управляемым защитным оборудование.
- Эксплуатация продукта в условиях, отличных от указанных в технических данных.
- Кроме того, все области применения, не упомянутые в использовать.
На месте должна быть проведена оценка характеристик нагрева (надлежащая и неуместная эксплуатация), защиты от контакта, поражения электрическим током, воздействия посторонних предметов или воды и использования на высоте более 2000 метров. Свяжитесь с ebm-papst, если у вас есть конкретные вопросы относительно продукта.
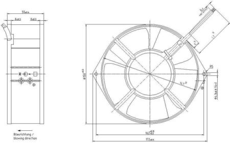
Чертеж изделия

Схема подключения
Перед подключением продукта убедитесь, что напряжение питания соответствует напряжению продукта.
Проверьте, соответствуют ли данные на паспортной табличке данные интерфейса.
Используйте только те кабели, которые предназначены для тока на шильдике и соответствующие условиям окружающей среды. Убедитесь, что данные электрического интерфейса правильно защищены (механически). Обратитесь к паспортной табличке с разделе техническая документация для подключения контактов.
Проверьте соединения
Вентиляторы постоянного тока > 60 В относятся к классу защиты l и должны быть заземлены.
Подключить продукт
Проверьте продукт на наличие видимых повреждений и работоспособность защитного оборудование перед включением. Если видно повреждение, не запускайте изделие.
Возможные причины и следствия ошибок
| Неисправность / ошибка | Возможная причина | Возможное исправление |
|---|---|---|
| Мотор не вращается | Механическая блокировка | Выключить, обесточить и устранить механическую блокировку. |
| Отказ сетевого напряжения | Проверьте напряжение сети, переподключите напряжение | |
| Соединение неисправно | Исправьте соединение, см. схему подключения | |
| Мотор слишком горячий | Дайте двигателю остыть / определить причину неисправности. | |
| Обмотка двигателя прервана | Обменяйте товар | |
| Неисправность рабочего колеса | Дисбаланс вращающиеся части | Обменяйте товар |
В случае дальнейших неисправностей, свяжитесь с ebmpapst.
|
Артикул
|
9695470181 |
|
Завод-изготовитель
|
epM |
|
Постоянный/переменный ток
|
постоянный |
|
Номинальное напряжение
|
110 В |
|
Скорость вращения
|
3050 об/мин |
|
Входная мощность
|
13 Вт |
|
Потребляемый ток
|
0.12 А |
|
Минимальная температура окружающей среды
|
-25 °C |
|
Максимальная температура окружающей среды
|
75 °C |
|
Максимально допустимая темп.окружающей среды
|
°C + 80 |
|
Минимально допустимая темп.окружающей среды
|
°C - 40 |
|
Вес
|
0.725 кг |
|
Одно/трехфазная сеть
|
1~ |
