Характеристики
Артикул
—
A2E300AC4702
Завод-изготовитель
—
epM
Постоянный/переменный ток
—
переменный
Номинальное напряжение
—
230 В
Скорость вращения
—
2650 об/мин
Входная мощность
—
140 Вт
Все характеристики
По запросу
Нашли дешевле?
Под заказ
Наши менеджеры обязательно свяжутся с вами и уточнят условия заказа
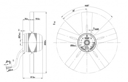
AC осевой вентилятор прямые лопасти (A серии)


Измерение: LU-66600-1
Замеры производительности соответствуют ISO 5801 категория А. Для детального уточнения способа замеров, Вам необходимо обратиться к специалистам ebm-papst. Уровень звукового давления со стороны всасывания: LwA по ISO 13347 / LpA с расстоянием 1м от оси вентилятора. Данные действительны только при указанных условиях измерения и могут варьироваться в зависимости от условий установки. При отклонении от стандартной конфигурации, необходимо проверить все значения в собранной установке.
Где: U = Напряжение питания · f = Частота · n = Скорость вращения · Pe = Входная мощность · I = Потребляемый ток · qV = Расход воздуха · Pfs = Увелич. давления

Измерение: LU-66601-1
Замеры производительности соответствуют ISO 5801 категория А. Для детального уточнения способа замеров, Вам необходимо обратиться к специалистам ebm-papst. Уровень звукового давления со стороны всасывания: LwA по ISO 13347 / LpA с расстоянием 1м от оси вентилятора. Данные действительны только при указанных условиях измерения и могут варьироваться в зависимости от условий установки. При отклонении от стандартной конфигурации, необходимо проверить все значения в собранной установке.
Где: U = Напряжение питания · f = Частота · n = Скорость вращения · Pe = Входная мощность · I = Потребляемый ток · qV = Расход воздуха · Pfs = Увелич. давления
Схема подключения:

| U1 | синий |
| Z | коричневый |
| U2 | черный |
| PE | зеленый/желтый |
Характеристики: производительность по воздуху 50 Гц
Измерение: LU-66600-1
Замеры производительности соответствуют ISO 5801 категория А. Для детального уточнения способа замеров, Вам необходимо обратиться к специалистам ebm-papst. Уровень звукового давления со стороны всасывания: LwA по ISO 13347 / LpA с расстоянием 1м от оси вентилятора. Данные действительны только при указанных условиях измерения и могут варьироваться в зависимости от условий установки. При отклонении от стандартной конфигурации, необходимо проверить все значения в собранной установке.
Данные измерений
| U | n | Ped | I | qV | pfs | qV | pfs | |
|---|---|---|---|---|---|---|---|---|
| V | min-1 | W | A | m3/h | Pa | cfm | in. wg | |
| 1 | 230 | 2650 | 140 | 0,62 | 2435 | 0 | 1435 | 0 |
| 2 | 230 | 2615 | 151 | 0,66 | 2185 | 40 | 1285 | 0,16 |
| 3 | 230 | 2580 | 158 | 0,69 | 1875 | 80 | 1105 | 0,32 |
| 4 | 230 | 2560 | 162 | 0,71 | 1400 | 120 | 825 | 0,48 |
Где: U = Напряжение питания · f = Частота · n = Скорость вращения · Pe = Входная мощность · I = Потребляемый ток · qV = Расход воздуха · Pfs = Увелич. давления
Характеристики: производительность по воздуху 60 Гц
Измерение: LU-66601-1
Замеры производительности соответствуют ISO 5801 категория А. Для детального уточнения способа замеров, Вам необходимо обратиться к специалистам ebm-papst. Уровень звукового давления со стороны всасывания: LwA по ISO 13347 / LpA с расстоянием 1м от оси вентилятора. Данные действительны только при указанных условиях измерения и могут варьироваться в зависимости от условий установки. При отклонении от стандартной конфигурации, необходимо проверить все значения в собранной установке.
Данные измерений
| U | n | Ped | I | qV | pfs | qV | pfs | |
|---|---|---|---|---|---|---|---|---|
| V | min-1 | W | A | m3/h | Pa | cfm | in. wg | |
| 1 | 230 | 2900 | 190 | 0,83 | 2700 | 0 | 1590 | 0 |
| 2 | 230 | 2865 | 205 | 0,9 | 2380 | 50 | 1400 | 0,2 |
| 3 | 230 | 2805 | 213 | 0,93 | 2055 | 90 | 1210 | 0,36 |
| 4 | 230 | 2755 | 218 | 0,95 | 1615 | 130 | 950 | 0,52 |
Где: U = Напряжение питания · f = Частота · n = Скорость вращения · Pe = Входная мощность · I = Потребляемый ток · qV = Расход воздуха · Pfs = Увелич. давления
|
Артикул
|
A2E300AC4702 |
|
Завод-изготовитель
|
epM |
|
Постоянный/переменный ток
|
переменный |
|
Номинальное напряжение
|
230 В |
|
Скорость вращения
|
2650 об/мин |
|
Входная мощность
|
140 Вт |
|
Потребляемый ток
|
0.62 А |
|
Минимальная температура окружающей среды
|
-25 [°C] |
|
Максимальная температура окружающей среды
|
55 [°C] |
|
Степень защиты
|
IP44 |
|
Монтажное положение
|
Горизонтальное расположение вала или ротор внизу; ротор вверху — по запросу |
|
Максимально допустимая темп.окружающей среды
|
°C + 80 |
|
Минимально допустимая темп.окружающей среды
|
°C - 40 |
|
Класс защиты от влаги (F) / класс защиты окружающей среды
|
H1 |
|
Количество лопаток
|
5 |
|
Диаметр крыльчатки
|
мм 300 |
|
Вес
|
kg 2.5 |
|
Одно/трехфазная сеть
|
1~ |
